全國服務熱線:400-7362-588
產品與解決方案
HPS進相器
- 詳細描述
- 原理及特性
- 型號定義及選型說明
- 技術參數
- 一次方案
靜止式進相器(以下簡稱進相器),是國內九十年代初誕生的高新技術產品。但隨著社會的發展和科學技術的進步,其產品技術性能和使用也得到了很好的完善和提高。
HPS系列進相器主要是以電力電子器件組成的交—交變頻器替代了傳統的自激式旋轉進相裝置,它可以達到更好的補償效果和更高的可靠性。
適用于高低壓繞線式交流異步電動機的無功功率就地補償。其中J型適用于拖動負載相對穩定,D型適用于拖動負載易變化的工況環境。
-
靜止式進相器主要是采用交—交變頻器,將 50HZ的工頻電壓轉變與電動機轉子電流同頻的低頻電壓附加在電動機的轉子回路,并使該附加電壓滯后轉子電流90°,達到電動機轉子側串接電容器的效果。這個附加電壓是由50HZ的基波組成。圖1為轉子電流、附加電壓、附加等效電壓的關系圖。
圖1 轉子電流、附加電壓、附加等效電壓的關系圖
交—交變頻器工作原理圖
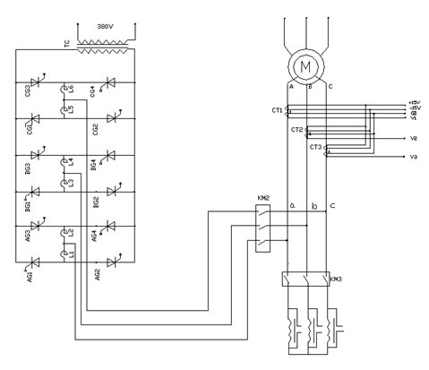
從圖1我們可以看到,附加電壓跟隨轉子電流變化,并且滯后轉子電流90°,為了達到這個目的,我們必須對轉子電流進行監測,才能達到我們的控制要求。圖2是交—交變頻器的原理圖。CT1、CT2、CT3是隔離型霍爾電流傳感器,用以檢測電動機轉子電流,SCR1—SCR12共十二只可控硅,L1—L6六只電抗器和變壓器TC組成了交—交變頻器。
圖2 交—交變頻器的原理圖
在圖2中,KM2、KM3為互鎖式工作交流真空接觸器,在未進相之前,由KM3的常開觸頭將電機的轉子回路與起動柜相連,但進相之后,由KM2的常開觸點將電機的轉子回路轉換到進相器控制回路。
HPSLC專用邏輯控制器,它是進相器的心臟部件之一。HPSLC是以單片機控制為核心,組成回路系統并控制進相器的各種信號單元,以實現進相器的各種功能特性。
交—交變頻器
由可控硅組成的三相變頻電路,以實現工頻50HZ電壓與電動機轉子低頻電流之間的轉換,為電動機轉子提供一個滯后轉子電流90°的同頻電壓。
輸出電路
由交流接觸器KM2、KM3和電流傳感器組成的三相輸出電路,將三相變頻電路輸出的電壓信號送到電動機轉子回路。同時對電動機轉子電流進行檢測,為HPSLC提供電動機轉子的實時低頻電流信號。
輔助電路圍繞著進相器的操作、顯示、外圍控制等一系列輔助功能而設計的電路。
特性:
1.本產品結構形式為無觸點式工作,進相效果隨電動機負載變化自動調節,不怕灰塵,很容易與電動機達到最佳配合,克服了旋轉式進相機的很多缺點。
2.本產品能使電動機功率因數大幅提高,降低電機定子電流,即能有效地減少電動機供電線路的電壓損失及電力損耗,節約有功功率。
3.本產品采用與起動柜聯鎖方式,進相操作必須在起動柜運行的條件下進行,起動柜停止運行后,進相器立即自動退相,能更好的保護電機和進相器的長期可靠運行。
4.本產品采用交—交變頻與微機控制技術,真正做到無環流系統,使設備本身的能耗降低到最小,同時為了設備在運行使用的過程中可靠工作,特設有環流檢測和控制功能。
5.本產品采用智能化技術,通過遠程控制能自動進相與自動退相,具有自動故障診斷與退相功能,并且能自動將電動機轉子回路切換到短接運行狀態。
6.本產品全部采用電力電子器件,使用壽命長,安全可靠,維護費用低。
7.本產品采用的接線方式可以保證設備安裝與調試或者維護過程中不會影響到電動機的正常運行。
-
-
技術指標
1、具有兩種控制方式,集中控制:由上位機進行控制;機旁控制;
2、防護等級:IP30;
3、進相后可使交流繞線式異步電動機的功率因數達到0.95以上,無功功率下降60%以上;
4、進相后電機定子電流下降15%~20%左右,節約銅耗、線損20-30%,并顯著降低定子的溫升,提高電機的使用壽命
正常工作條件
1、周圍空氣溫度上限不超過+40℃,下限不低于—25℃;大氣相對濕度不超過85%;
2、安裝地點無顯著地搖動與沖擊振動;海拔高度不超過2千米,特殊情況另議;
3、在無爆炸危險地介質中,且介質中無足以腐蝕金屬盒破壞絕緣的氣體與塵埃(包括導電塵埃);
執行標準
電氣控制設備 GB/T3797-2005
低壓成套開關設備和控制設備 GB/T14048. 1-2006: IEC947-1 : 2005
GB7251 . 1-2005 : IEC439 : 1992
Q/XD01-2007
-

分享